NX-systeem doet zijn intrede bij NS
Origineel geschreven door ing. D. Uitzinger
Gepubliceerd in Hobby Bulletin, februari 17e jaargang - 1965
Originele titel: Van handbediening tot centrale verkeersleiding: NX systeem doet zijn intrede bij NS
Dit is het vervolg van het artikel 'Van handbediening tot Centrale Verkeersleiding - deel2'.
Afb. 13 - Een kijkje in Post T te Amersfoort, waar op 23 april 1961 een NX-beveiliging in dienst werd gesteld.
Toen NS na de oorlog opnieuw moest beslissen hoe de grote stations te beveiligen, werd een geheel andere richting ingeslagen. Besloten werd — in navolging van de Amerikaanse praktijk — het „all relay” systeem toe te passen, waarbij de mechanische koppelingen en uitsluitingen geheel zijn vervallen en waarbij deze functies zijn overgenomen door relais en relaiscontacten. Hiervoor werd het NX-systeem gekozen, dat in 1933 is ontwikkeld door General Railway Signal Company in Rochester (USA). Een bijzonder kenmerk van dit systeem is de wijze waarop de rijweg (route) wordt ingesteld. Bij de tot nu toe beschreven bedieningstoestellen wordt een rijweg ingesteld, door eerst alle hierbij betrokken wissels door middel van handels of stelknoppen in de juiste stand te leggen en vervolgens door een afzonderlijke handel of stelknop het sein te bedienen. Men noemt dit een individueel systeem. Het NX-systeem is een route-systeem, waarbij de rijweg wordt ingesteld door slechts twee bedieningsknoppen: een beginknop en een eindknop, waarna, als aan alle veiligheidseisen is voldaan, het sein automatisch uit de stand „stop” komt. Dit verklaart ook de handelsnaam NX, gevormd door de klank van de eerste lettergreep van ENtrance en EXit.
Verdere kenmerken van het NX-systeem
- in verbinding met NX-bedieningstoestel-len worden uitsluitend lichtseinen toegepast.
- de seinen voor treinbewegingen gelden ook voor rangeerbewegingen.
-
de centrale bediening van seinen en wissels geschiedt elektrisch vanuit één post.
- controle op het vrij en onbezet zijn van de sporen geschiedt door middel van spoor- en wisselisolatie.
-
de wisselisolatie belet tevens het omleggen van de wissels onder een voertuig.
Het NX-toestel (Zie afb. 13 en fig. 14)
Het bedieningstoestel bestaat uit een verticaal opgesteld tableau (aanvankelijk zwart, latere uitvoeringen groen), waarop in forse, witte lijnen schematisch het sporenplan van het beveiligde gebied is aangegeven. De wissels worden hierop aangegeven door kleine beweegbare drie-hoekjes, z.g. wisselstandwijzers.
In de lijnen, die de sporen weergeven, zijn de bedieningsknoppen aangebracht: begin- en eindknoppen. Met elke beginknop correspondeert een lichtsein op het emplacement. De plaats van de beginknoppen en van de wisselstandwijzers op het tableau stemt overeen met de plaats van de seinen en wissels op het emplacement. De plaats van de eindknop op het tableau valt in het algemeen samen met het einde van de rijweg op het emplacement. Op begin- en eindknop wordt door een pijl de rijrichting aangegeven, waarvoor deze is bestemd. Zoals reeds vermeld, moet de ambtenaar, om een sein uit de stand „stop” te brengen, een beginknop en een eindknop bedienen.
De beginknop kan óf worden gedrukt, waarna deze door de werking van een veer weer opkomt of worden gedraaid, waarna deze achter de trein of voor herroepen moet worden teruggedraaid. De eindknop moet worden gedrukt en komt daarna weer op.
Het drukken van een beginknop, gevolgd door het drukken van een eindknop, dient voor het instellen van een rijweg, waarbij met behulp van de spoor- en wisselisolatie wordt gecontroleerd, dat de rijweg onbezet is. Door het berijden van de eerste geïsoleerde sectie achter het sein, wordt het sein automatisch in de stand „stop” teruggebracht. Het draaien van de beginknop, gevolgd door het drukken van een eindknop, dient voor het instellen van een rijweg met het seinbeeld „beperkte snelheid” (geen controle op spoorbezetting). B.v. bij het rangeren naar een bezet spoor. In dit geval moet achter de trein of het rangeerdeel de beginknop weer worden teruggedraaid. Bij de eerste NX-beveiligingen kwam pas door het terugdraaien van de beginknop het sein in de stand „stop”. Amersfoort is daarna, bij wijze van proef, uitgerust met beginknoppen, die in beide gevallen alleen worden gedrukt. Bovendien moet dan voor een rijweginstelling naar bezet spoor een extra knop worden gedrukt. In beide gevallen komt bij het berijden van de eerste geïsoleerde sectie achter het sein, het sein automatisch in de stand „stop”. Men is hiervan echter weer afgestapt, maar de schakeling is nu zo uitgevoerd, dat het sein, onafhankelijk of ’t door drukken of door draaien van de beginknop is bediend, automatisch in de stand „stop” terugkomt, door het berijden van de eerste geïsoleerde sector achter het sein.
Door het instellen van een rijweg worden de wissels automatisch in de juiste stand gelegd en vastgelegd. Om een wissel individueel, zonder rijweginstelling, te kunnen bedienen, zijn op het tableau wisselsleutels (schakelaars) aangebracht. Het spreekt vanzelf, dat het bedienen van de wisselsleutel geen uitwerking heeft, als het wissel reeds door het instellen van een rijweg is vastgelegd, wat kenbaar is aan rood licht in het vergrendelingslampje. Onder de wisselsleutel is een wisselcontrolelampje aangebracht. Tijdens het omlopen van het wissel toont dit lampje wit knipperlicht, na het omlopen dooft het lampje.
Om het bedieningspersoneel aan te geven of de seinen inderdaad het commando hebben gevolgd en of de sporen al of niet zijn bezet, zijn signaleringslampjes aangebracht. Voor de seinbediening zitten deze in de beginknoppen, voor de spoorbezetting in de lijnen, die de sporen weergeven.
Wat gebeurt er nu als een beginknop en een eindknop worden gedrukt? Alvorens aan de hand van enkele eenvoudige voorbeelden en schema’s nader aan te geven, hoe met behulp van relais en relaiscontacten aan alle veiligheidseisen wordt voldaan, eerst een korte samenvatting van de gang van zaken.
Wanneer voor de route, die men wenst in te stellen, geen strijdige bewegingen zijn ingesteld en de eerste geïsoleerde sectie achter het betreffende sein vrij is, wordt de te volgen rijweg afgebakend. Daarna worden achtereenvolgens de wisselcommando’s ingeschakeld, wordt gecontroleerd, dat deze commando’s zijn doorgegeven en wordt het betreffende seinrelais ingeschakeld. Dan mag natuurlijk het sein nog niet uit de stand „stop” komen.
Eerst nadat in afzonderlijke circuits, de z.g. veiligheidcircuits, is gecontroleerd of aan alle veiligheidseisen is voldaan, wondt het betreffende seinbedieningsrelais ingeschakeld.
Die veiligheidseisen zijn o.a.: het spoor moet onbezet zijn, de wissels moeten de commando’s volledig hebben gevolgd en de tongen moeten goed aansluiten, alle wissels in de rijweg moeten in de juiste stand zijn vergrendeld en strijdige bewegingen moeten zijn uitgesloten. Daarna komt het sein uit de stand „stop”.

Fig. 15 - Voorbeeld van de verdeling van de geïsoleerde secties op een gedeelte van een emplacement. De isolerende lassen zijn door korte dwars-streepjes aangegeven.
De spoor- en wisselisolatie is in verschillende geïsoleerde secties verdeeld (zie fig. 15). Wanneer de trein of het rangeerdeel de eerste geïsoleerde sectie achter het sein berijdt, komt — zoals vermeld — het sein in de stand „stop”. Telkens nadat nu de trein of het rangeerdeel een geïsoleerd gedeelte heeft verlaten, komen de wissels, die door het instellen van de rijweg waren vastgelegd, achtereenvolgens vrij.
Het blijkt, dat een essentieel onderdeel van de beveiliging wordt gevormd door de spoor- en wisselisolatie, waardoor de trein zelf, door de plaats waar deze zich bevindt, o.a. het sein in de stand „stop” brengt, de wissels achtereenvolgens vrij maakt en zorgt voor automatische bezetspoorbeveiliging.
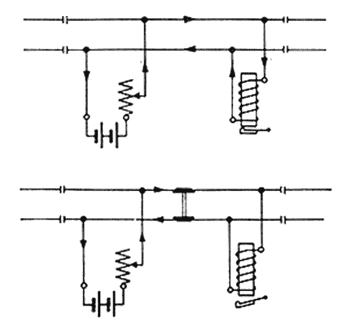
De spoorstroomloop
Een spoorstroomloop is in zijn eenvoudigste vorm aangeduid in fig. 16. Om een spoor-stroomloop te vormen wordt een gedeelte spoor van de aan weerszijden aansluitende spoorstaven geïsoleerd, door de normale ijzeren lasplaten te vervangen door isolerende lassen (zie fig. 17). In fig. 16 zijn deze isolerende lassen aangegeven, alsmede een stroombron met voorschakelweer-stand aan de ene zijde en een relais aan de andere zijde van het geïsoleerde gedeelte. De lengte van zo’n geïsoleerd gedeelte kan variëren en is aangepast aan de eisen. De stroombron en het relais zijn elk door twee draden met het spoor verbonden. De stroomvloeit dus — als het spoor niet is bezet — van de stroombron over de beide spoorstaven door de relaiswikkelingen. Daardoor is het relaisanker aangetrokken. Wordt het spoor door een trein of voertuig bezet, dan vormen de wielen en assen nagenoeg een kortsluiting over het spoor, waardoor de spanning aan het spoor snel daalt en de stroomsterkte door het relais eveneens sterk daalt (wordt bijna nul). Daardoor zal het anker afvallen.
Het anker is dus bij onbezet spoor aangetrokken, bij bezet spoor afgevallen. Breekt een draad van de toevoerleiding of valt door een of andere oorzaak de spanning op het spoor weg, dan zal het anker eveneens afvallen. Dit komt dus overeen met de toestand dat het spoor bezet is. Dit is het z.g. ruststroomprincipe.
Aan het relaisanker zijn contacten bevestigd, die door het anker worden bewogen en waarvan de stand dus afhankelijk is van het al of niet aangetrokken zijn van het anker.
Het zal de lezer duidelijk zijn, dat het hierdoor mogelijk is te controleren of het spoor al dan niet bezet is en de spoorrelais bovendien voor verschillende andere doeleinden in te schakelen, zoals ’t automatisch in de stand „stop” brengen van de seinen en het achtereenvolgens vrij maken van de elektrisch vergrendelde wissels.








